| 安全驾驶基本之中的基本 |
2. 车辆外部的检查
| ■ 观察四周 | ■ 检查轮胎 | ||
| 确认车辆周边是否有可能引发事故的事物,例如是否有正在游戏的儿童。 | 检查以下项目:气压是否充中,有没有明显的显伤痕,胎纹的磨损状况,是否有小石子或钉子夹嵌或是扎在轮胎上。 | ||
| 气压是否充足,可以在加油站检查。如果比规定的气压值低请进行补充。(正确的气压值,记载在使用说明书中。) | 轮胎在磨损后胎纹沟只剩下 1.6 厘米时,就可以看到轮胎中的更换记号,请在看到记号时更换轮胎。 | 胎纹沟中如果镶嵌了小石子,请用螺丝刀等工具进行清除。如果扎入了钉子请马上去修理厂。 | |
3. 发动机箱内的检查
| 每天都进行发动机箱内的检查有一些困难,请给自己定一个(最少几天检查一次的标准)。另外,刚刚熄火的发动机很多地方还处于高温状态。请注意不要被烫伤。 | ||
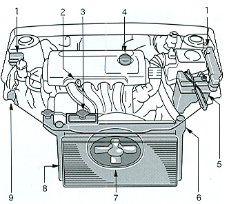
| 1 保险丝箱 | ||
| 保险丝箱盖上有种类名称表,电气纱统出问题时请检查这里。 | ||
| 2 机油箱油尺 | ||
| 插在机油箱盖附近,拔出油尺,用布擦拭之后把它插回原处,再拔出来。沾有机油的地方在 F ( FULL )与( LOWER )之间就没问题。不足时请补充。另外机油会变脏,请根据使用说明书( COROLLA/VLOS = 6 个月或 5000 公里)记载的期间或距离更换机油。 | ||
| 3 散热器冷却液 | 8 空气滤清器 | |
| 打开散热器的水箱盖,检查余量是否在 MAX 与 MLN 之间,不足的时候请补充冷却液。冷却液不足是导致发动机过热的原因。 | 请检查空气滤清器中是否有积尘。 COROLLA 、 VLOS 都规定了每行驶至 2 尤公里或满 2 年必须进行空气滤清器检查;行驶至 4 万公里或满 4 年则须更换空气滤清器。 | |
| 4 机油加油盖 | ||
| 在油箱上的注入口盖。 | ||
| 9 清洗液 | ||
| 5 蓄电池液 | 打开清液箱检查余量。不足时补充。也可以使用稀释的洗涤液。 | |
| 检查蓄电液是否在 MAX 与 MLN 之间。 | ||
| 6 散热器 | ||
| ● 刹车油 | ||
| 7 风扇皮带 | 检查刹车油余量时,不用打开刹车油箱盖。余量不足时,不能自己补充,请去丰田的维修店。 | |
| 过紧过松都不可以。请检查是否有损伤。 | ||
| 上一页 下一页 |